AGF 2.0

AGF 2.0: Flüssigkeitsvernebler mit Zweistoffdüse und Zyklon (dp_max = 2 µm) nach VDI 3491-1 und -2. Generiert konstante Partikelrate und definiertes Partikelspektrum.
Liquid nebulizer with binary nozzle and cyclone (dp_max = 2 µm) as per VDI 3491-1 and -2

The AGF 2.0 is an aerosol generator for atomizing liquids and latex suspensions with a constant particle rate and defined particle spectrum.

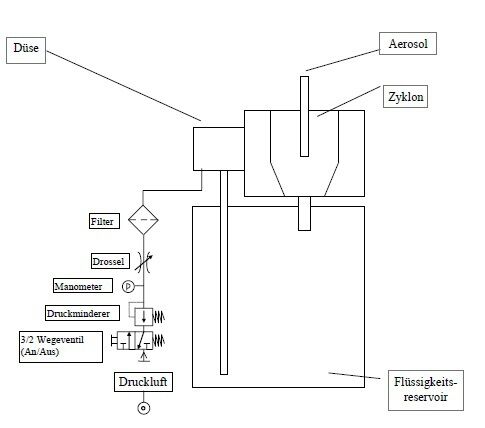
The AGF 2.0 system comprises an adjustable binary nozzle to adjust the desired mass flow and a cyclone with a cut-off of 2 µm. As a result, virtually no particles > 2 µm are generated.

Norms and certificates

National and international standards

ISO 14644 VDI 2083

Operation principle
Bibliography

Publications

  • Schade, S.; Seipenbusch, M.: ViralaerosoltransmissionofSARS-CoV-2fromsimulatedhumanemissioninaconcerthal; InternationalJournalofInfectiousDiseases
Benefits

Your special advantages

  • Exact adjustment of the operating parameters
  • Number concentration (CN) can be varied by the factor of 10
  • Particle size distribution remains virtually constant if CN is modified
  • Number distribution maximum is within the MPPS range
  • Virtually no power losses
  • Optimal concentration, no coagulation losses
  • Resistant to numerous acids, bases, and solvents
  • Robust design, stainless steel housing
  • Easy to operate
  • As opposed to the collision method, AGF 2.0 does not generate particles > 2 µm thanks to its cyclone.
  • Because the AGF generates virtually no droplets > 2 µm, the consumption of materials is very low, thus ensuring a long dosing time.
  • With the use of DEHS, the mean particle size is within the MPPS range for HEPA/ULPA filters
Applications

Individual solutions for various industries

  • Clean room technology
    • Acceptance tests and leak tests as per ISO 14644 and VDI 2083
    • Leak tests, fit testing
    • Recovery tests
  • Filter testing, quality control
    • Filter cartridges
    • Car interior filters
    • Filter media, particulate air filters
    • Aerosol generation for MPPS determination of HEPA/ULPA filters
  • Tracer particles
    • Inhalation experiments
    • Optical flow measurement procedures with positive pressure values of up to 10 bar (model version AGF 2.0 D)
    • LDV
  • Calibration of counting particle measurement methods
    • Nebulization of latex suspensions < 1 µm
  • Smoke detector test
Do you have any further questions?
Please do not hesitate to contact us.
Technical features

In detail

Volume flow
6 – 17 l/min
Mass flow (particles)
< 4 g/h (DEHS)
Filling quantity
300 ml
Particle material
DEHS, DOP, Emery 3004, paraffin oil, other non-resinous oils
Dosing time
> 24 h
Compressed air connection
Quick coupling
Aerosol outlet connection
Øinside = 6 mm, Øoutside = 8 mm
Mean particle diameter (number)
0.25 µm
Particle diameter (maximum)
2 µm
Dimensions
325 • 300 • 175 mm (H • W • D)
Weight
Approx. 9 kg
Downloads

More information about AGF 2.0

Brief Description

Brief product description in two-pages as PDF


Product Description

Detailed product description as PDF

Shopping cart

Your individual configuration

Components


(Art-No: 368keine) - AGF 2.0
0,00

0,00

All prices without VAT. Price verification reserved.

Total price (net)

Contact us

Options

Options suitable for this device

Receive updates on exciting products & valuable news!